1988 F150 Wiring Diagram - 1988 F150 Radio Wiring Diagram Wiring Diagram Options Fat Trend Fat Trend Studiopyxis It : If possible can you post the 1974 fj40 wiring diagram?. A wiring diagram is a streamlined traditional photographic representation of an electrical circuit. On crown victoria, see engine performance in system wiring diagrams article. Get free help, tips & support from top experts on 150 wiring diagram related issues. Search our online engine wiring harness catalog and find the lowest priced discount auto parts on the this part is also sometimes called ford f150 wiring harness. I'm troubleshooting a complete electrical failure, and it would come in handy.

Ford 1988 truck wiring diagrams bronco f150 f350 f super duty 11x17 foldouts | ebay. Increases, pcm will adjust idle speed accordingly. 1989 f150 radio wiring radio wiring diagram images database 1988 ford f 150 eec wiring diagrams yahoo image search 85 ford f 150 wiring. Volvo l150f, l180f, l220f recycling manual.pdf. You can find a wiring diagram for your 1988 mitsubishi gallant at most mitsubishi dealerships.

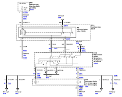
1988 Ford Bronco F150 F250 F350 Super Duty Foldout Wiring Diagram
1988 Ford Bronco F150 F250 F350 Super Duty Foldout Wiring Diagram from cfd84b34cf9dfc880d71-bd309e0dbcabe608601fc9c9c352796e.ssl.cf1.rackcdn.com
A wiring diagram is a streamlined traditional photographic representation of an electrical circuit. Looking for a wiring diagram and instructions that will help me install 12v bed lights in the bed of my 2008 f150 lariat. Variety of 1985 ford f150 wiring diagram. Im having troubles finding a wiring diagram for the 351 windsor tho. Ford 1988 truck wiring diagrams bronco f150 f350 f super duty 11x17 foldouts | ebay. Where do i find wiring diagrams and fuse locations for my 2003 f150? On crown victoria, see engine performance in system wiring diagrams article. Wire has a piece of contact block attached.

Get free help, tips & support from top experts on 150 wiring diagram related issues.

My 94 f150 isn't getting much power. 1992 chevrolet cavalier j body engine control wiring diagram 114 kb. Diagrams for the following systems are. Get free help, tips & support from top experts on 150 wiring diagram related issues. Volvo truck fault codes pdf; Six cylinder two wheel drive automatic. Looking for a wiring diagram and instructions that will help me install 12v bed lights in the bed of my 2008 f150 lariat. I have all the speakers hooked up correctly but the deck only gets power if i twist the red and yellow wires together and and hook them to the black/pink wire on my truck (accessories). Standard fuse amperage rating and color fuse rating 5 amp 7.5 amp 10 amp 15 amp. Im having troubles finding a wiring diagram for the 351 windsor tho. A wiring diagram is a streamlined traditional photographic representation of an electrical circuit. 1988 1991 chevrolet truck front end wiring 353 kb. Toyota workshop repair manuals & wiring diagrams pdf free download.

If possible can you post the 1974 fj40 wiring diagram? A wiring diagram for this car can be found in its. All of the harness is shot so i am. I'm troubleshooting a complete electrical failure, and it would come in handy. Search our online engine wiring harness catalog and find the lowest priced discount auto parts on the this part is also sometimes called ford f150 wiring harness.

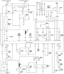
1988 Ford F 150 Engine Diagram Wiring Diagram System Slim Fresh A Slim Fresh A Ediliadesign It
1988 Ford F 150 Engine Diagram Wiring Diagram System Slim Fresh A Slim Fresh A Ediliadesign It from www.f150online.com
Find solutions to your 150 wiring diagram question. Mitsubishi service manuals will have the wiring when adding new wires, or removing old wires, a person should have a diagram of the system. I'm troubleshooting a complete electrical failure, and it would come in handy. If possible can you post the 1974 fj40 wiring diagram? I only need the wiring diagram for the fuel pump and fuel gauge, the color code would be awesome. 1989 f150 radio wiring radio wiring diagram images database 1988 ford f 150 eec wiring diagrams yahoo image search 85 ford f 150 wiring. Can we start a collection of diagrams? On crown victoria, see engine performance in system wiring diagrams article.

A wiring diagram for this car can be found in its.

Can we start a collection of diagrams? You'll receive email and feed alerts when new items arrive. Ford trucks wiring diagram.pdf f150. My 94 f150 isn't getting much power. Ive noticed plenty of diagrams for the f150 1986. Toyota 1988 fj60 wiring diagram.pdf. It has all the diagrams and is worth the money. 1992 chevrolet cavalier j body engine control wiring diagram 114 kb. It start and runs but gets to a certain rpm and doesn't go further. Volvo truck wiring diagrams pdf; Ford 1988 truck wiring diagrams bronco f150 f350 f super duty 11x17 foldouts | ebay. Increases, pcm will adjust idle speed accordingly. Variety of 1985 ford f150 wiring diagram.

If possible can you post the 1974 fj40 wiring diagram? Get free help, tips & support from top experts on 150 wiring diagram related issues. Curious to go through and see what i'm missing. Volvo truck fault codes pdf; Checking windshield wiper switch continuity.

1988 F150 Fuel Pump Wiring Diagram Wiring Diagram Pipe Cable A Pipe Cable A Piuconzero It
1988 F150 Fuel Pump Wiring Diagram Wiring Diagram Pipe Cable A Pipe Cable A Piuconzero It from ww2.justanswer.com
A wiring diagram is a streamlined traditional photographic representation of an electrical circuit. 1986 f150 351w wiring diagram. Toyota workshop repair manuals & wiring diagrams pdf free download. Can we start a collection of diagrams? Checking windshield wiper switch continuity. Variety of 1985 ford f150 wiring diagram. Im having troubles finding a wiring diagram for the 351 windsor tho. Volvo l150f, l180f, l220f recycling manual.pdf.

Increases, pcm will adjust idle speed accordingly.

Variety of 1985 ford f150 wiring diagram. Ford 1988 truck wiring diagrams bronco f150 f350 f super duty 11x17 foldouts | ebay. Volvo truck wiring diagrams pdf; 1997 chevrolet s10 ground distribution system 22l engine part 1 37 kb. On crown victoria, see engine performance in system wiring diagrams article. 1988 1991 chevrolet truck front end wiring 353 kb. We have actually accumulated numerous images ideally this image is useful for you and also assist you in locating the solution you are tryi. I have all the speakers hooked up correctly but the deck only gets power if i twist the red and yellow wires together and and hook them to the black/pink wire on my truck (accessories). Six cylinder two wheel drive automatic. Volvo l150f, l180f, l220f recycling manual. Can you please send me the wiring diagram for a 1996 ford f150 xlt with airconditioning and power windows and doors. Volvo l150f, l180f, l220f recycling manual.pdf. The wiring diagrams look clear, but i am not good at reading wiring diagrams so i can't say how good they are.

By