98 Silverado Wiring Diagram - 98 Gmc Brake Light Wiring Diagram Wiring Diagram Solid Started A Solid Started A Miceincampania It / Gmc truck wiring diagrams on gm wiring harness diagram 88 98.. Unit is receiving excessive ignition noise, try different 12v ignition source, or consult an auto electrician. I need the 2001 schematic for a silverado 1500 :c all the ones i have found so far come nowhere close to matching my c1 layout. 1955 chevrolet car wiring diagrams 3 mb. Body control module, horn switch, horn relay and fuse. Model 638.094 /194 with code (f68) heated and electrically adjustable exterior mirrors model 638.294 with code (f64) electrical folding exterior mirrors.

The following schematic shows the 2003 chevrolet silverado horn system circuit and wiring diagram. What is electrical wiring diagram: 1955 chevrolet directional signals, neutral safety and backup switches 268 kb. I need the 2001 schematic for a silverado 1500 :c all the ones i have found so far come nowhere close to matching my c1 layout. Chevrolet silverado:gmc sierra all pick up electrical section.

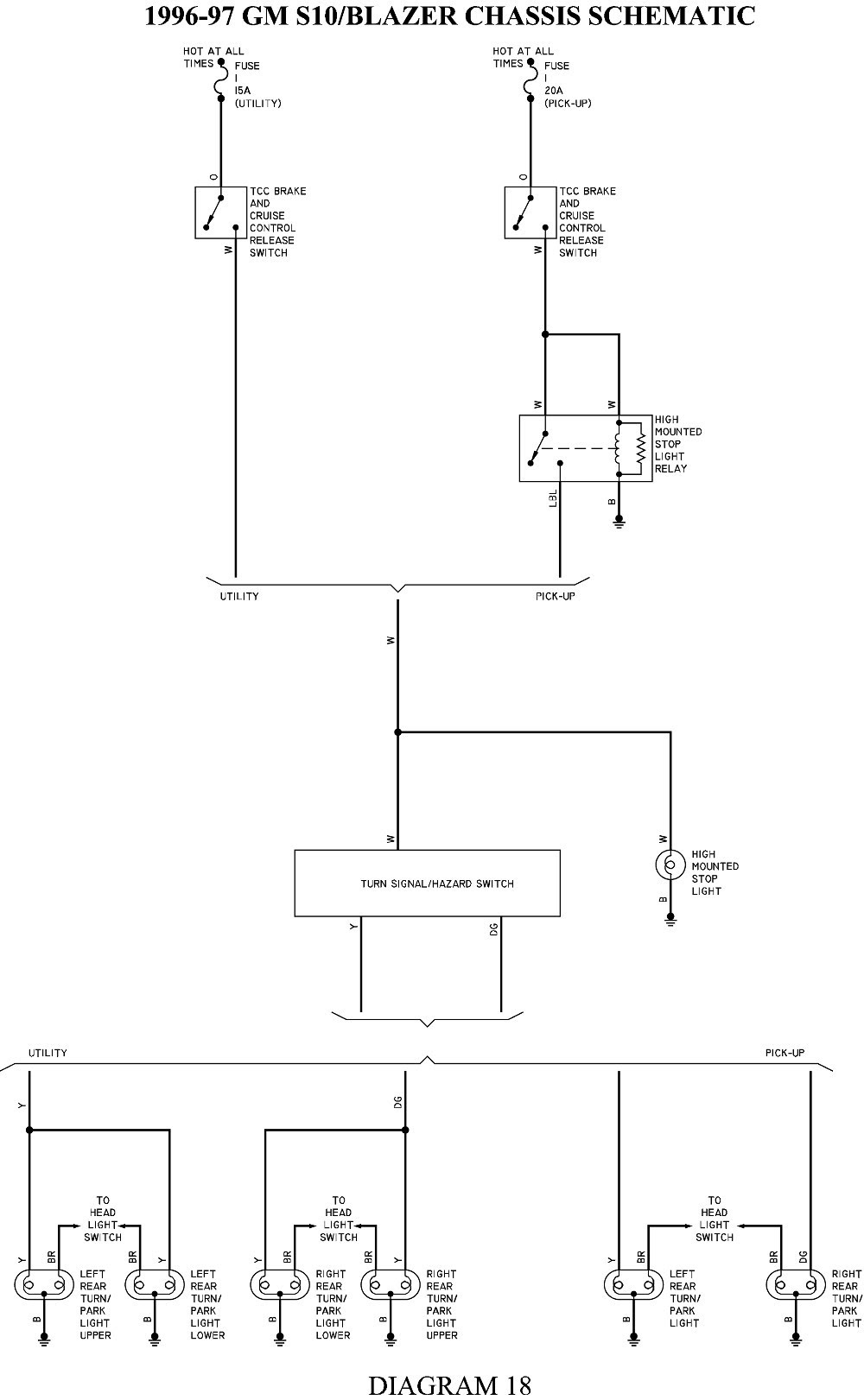
Diagram In Pictures Database 98 Chevy Truck Tail Light Wiring Diagram Just Download Or Read Wiring Diagram Online Casalamm Edu Mx
Diagram In Pictures Database 98 Chevy Truck Tail Light Wiring Diagram Just Download Or Read Wiring Diagram Online Casalamm Edu Mx from wiringall.com
1955 chevrolet car wiring diagrams 3 mb. Here's the headlight wiring diagram for a chevrolet silverado with drl. That is all i need, i will send an email with all of the wiring diagrams for that year, it will include both engines (if applicable) if they do, i will update them here and in my signature. These are also known as the c1500 or 2500 trucks, and they use a different wiring diagram to install your aftermarket stereo. What year are the diagrams? Wiring diagrams and miscellaneous repair. Listed below is the vehicle specific wiring diagram for your car alarm, remote starter or keyless entry installation into your 1998. 1956 chevrolet passenger car wiring 605 kb.

That is all i need, i will send an email with all of the wiring diagrams for that year, it will include both engines (if applicable) if they do, i will update them here and in my signature.

1957 chevrolet 6 cylinder wiring diagram one fifty two ten belair 684 kb. Here's the headlight wiring diagram for a chevrolet silverado with drl. Vehicle wiring diagrams includes wiring diagrams for cars and wiring diagrams for trucks. Wiring diagrams, spare parts catalogue, fault codes free download. Carmanualshub.com automotive pdf manuals, wiring diagrams, fault codes, reviews, car manuals and news! What is electrical wiring diagram: If anyone has any pictures or can help me i would greatly appreciate it. That is all i need, i will send an email with all of the wiring diagrams for that year, it will include both engines (if applicable) if they do, i will update them here and in my signature. Looking at the challenge of adding cruise control to my car, which is the base. Like one with the wire colors? 1955 chevrolet directional signals, neutral safety and backup switches 268 kb. Listed below is the vehicle specific wiring diagram for your car alarm, remote starter or keyless entry installation into your 1998. Our automotive wiring diagrams allow you to enjoy your new mobile electronics rather than spend countless hours trying to figure out which wires goes to feel free to use any chevy silverado 1500 car stereo wiring diagram that is listed on modified life but keep in mind that all information here is.

What is electrical wiring diagram: Diagrams for the following systems are included. The following schematic shows the 2003 chevrolet silverado horn system circuit and wiring diagram. Chevy truck forum | silverado sierra gmc truck forums. 2011 silverado, 4.3 rclb 61,xxx miles 1994 s10 160,xxx miles.

98 Chevy Tracker Wiring Diagram Wiring Diagram Dat Silk Iconic D Silk Iconic D Tenutaborgolano It
98 Chevy Tracker Wiring Diagram Wiring Diagram Dat Silk Iconic D Silk Iconic D Tenutaborgolano It from detoxicrecenze.com
Carmanualshub.com automotive pdf manuals, wiring diagrams, fault codes, reviews, car manuals and news! The following schematic shows the 2003 chevrolet silverado horn system circuit and wiring diagram. Chevrolet silverado:gmc sierra all pick up electrical section. Need color coded wire harness for 94 silverado 1500 4.3 l heater control. Thank you for the wiring diagrams, very useful. 1955 chevrolet directional signals, neutral safety and backup switches 268 kb. These are also known as the c1500 or 2500 trucks, and they use a different wiring diagram to install your aftermarket stereo. 1955 chevrolet car wiring diagrams 3 mb.

Looking at the challenge of adding cruise control to my car, which is the base.

1956 chevrolet passenger car wiring 605 kb. The following schematic shows the 2003 chevrolet silverado horn system circuit and wiring diagram. Carmanualshub.com automotive pdf manuals, wiring diagrams, fault codes, reviews, car manuals and news! Need color code wiring diagram to ac control 4 connector to 07 cheverlot tahoe 5.3 ls.its the ac that goes under the stereo. Looking at the challenge of adding cruise control to my car, which is the base. Wiring diagrams, spare parts catalogue, fault codes free download. If you want to troubleshoot a headlight problem in your chevrolet siverado, you'll need this headlight wiring diagram. Need color coded wire harness for 94 silverado 1500 4.3 l heater control. Model 638.094 /194 with code (f68) heated and electrically adjustable exterior mirrors model 638.294 with code (f64) electrical folding exterior mirrors. 1988 chevy s10 fuse box wiring diagram rh blaknwyt co 1980 chevy truck fuse box 1999 camry interior fuse panel free wiring diagram for trucks wynnworlds me how to wire a shed for electricity diagram inspirational electric. Wiring diagrams and miscellaneous repair. Where can i get wiring diagram for both doors so i can install 2000 door on 98 vehicle.… read more. 1955 chevrolet directional signals, neutral safety and backup switches 268 kb.

The connections from all major parts to the respective ground points. There's two variations of the silverado from this generation, including the early models from 1999 onward. Holden engine presumably, the chevrolet camaro ss, chevrolet camaro zl1, chevrolet silverado 2500 and the upcoming chevrolet silverado 1500 will be among. This video demonstrates the chevrolet silverado complete wiring diagrams and details of the wiring harness. Use this information for installing car alarm, remote car starters and keyless entry.

Diagram Wiring Diagram 1998 Safari Full Version Hd Quality 1998 Safari Ardiagramlg Mercatutto It
Diagram Wiring Diagram 1998 Safari Full Version Hd Quality 1998 Safari Ardiagramlg Mercatutto It from www.mdpi.com
Gmc truck wiring diagrams on gm wiring harness diagram 88 98. Will a 98 silverado door bolt right up to a 89 silverado or do i have to swap out some wiring?… read more. I need the 2001 schematic for a silverado 1500 :c all the ones i have found so far come nowhere close to matching my c1 layout. Looking at the challenge of adding cruise control to my car, which is the base. If you want to troubleshoot a headlight problem in your chevrolet siverado, you'll need this headlight wiring diagram. Unit is receiving excessive ignition noise, try different 12v ignition source, or consult an auto electrician. Body control module, horn switch, horn relay and fuse. Need color coded wire harness for 94 silverado 1500 4.3 l heater control.

Diagrams for the following systems are included.

Need color coded wire harness for 94 silverado 1500 4.3 l heater control. Holden engine presumably, the chevrolet camaro ss, chevrolet camaro zl1, chevrolet silverado 2500 and the upcoming chevrolet silverado 1500 will be among. Carmanualshub.com automotive pdf manuals, wiring diagrams, fault codes, reviews, car manuals and news! Like one with the wire colors? I need the 2001 schematic for a silverado 1500 :c all the ones i have found so far come nowhere close to matching my c1 layout. 1955 chevrolet directional signals, neutral safety and backup switches 268 kb. 1955 chevrolet car wiring diagrams 3 mb. Need color code wiring diagram to ac control 4 connector to 07 cheverlot tahoe 5.3 ls.its the ac that goes under the stereo. These are also known as the c1500 or 2500 trucks, and they use a different wiring diagram to install your aftermarket stereo. Legend for wiring diagram of outside mirrors. Model 638.094 /194 with code (f68) heated and electrically adjustable exterior mirrors model 638.294 with code (f64) electrical folding exterior mirrors. Is there any place that would tell me where the ground points are on a 1990 gmc sierra? That is all i need, i will send an email with all of the wiring diagrams for that year, it will include both engines (if applicable) if they do, i will update them here and in my signature.

By